²úÆ·ÏÈÈÝ
B2P16ϵÁÐBMS£¬£¬£¬£¬£¬£¬£¬ÊÇÒ»ÖÖÒ»Ì廯Èí¼þ±£»£»£»£»£»£»¤°å¡£¡£¡£¡£¡£¡£¡£Ö÷ÒªÓ¦ÓÃÓÚ¶ÔµÍËÙÇáÐͳµÓÃ16´®51.2VÌúï®µç³ØÏµÍ³µÄÖÎÀí£¬£¬£¬£¬£¬£¬£¬
Ìṩµçо¹ý³ä¡¢¹ý·Å¡¢¹ýÁ÷¡¢¹ýÎÂÓë¶Ì·±£»£»£»£»£»£»¤¡£¡£¡£¡£¡£¡£¡£
ÓÅÊÆÌØµã
1¡¢¸ß¾«¶Èµçѹ¡¢µçÁ÷¼°Î¶ȼì²â£»£»£»£»£»£»
2¡¢¾ß±¸µçоƽºâ¹¦Ð§£¬£¬£¬£¬£¬£¬£¬ÓÐÓÃÌá¸ßµç³ØÊ¹ÓÃÊÙÃü£»£»£»£»£»£»
3¡¢¾ß±¸µç³ØÈÈʧ¿ØÔ¤¾¯¹¦Ð§£»£»£»£»£»£»
4¡¢¾ß±¸½øË®¼ì²â¹¦Ð§£»£»£»£»£»£»
5¡¢¾ß±¸¹ý³ä¡¢¹ý·Å¡¢¹ýÁ÷¡¢¹ýÎÂ˳¶Ì·±£»£»£»£»£»£»¤¹¦Ð§£»£»£»£»£»£»
6¡¢ÎȹÌÐԸߡ¢ÐԼ۱ȸߡ£¡£¡£¡£¡£¡£¡£
²úÆ·²ÎÊý
| ¹¦Ð§Ä£¿£¿£¿£¿£¿£¿é | ¹¦Ð§Ï¸·Ö | ÐÎò |
| ϵͳ¹©µç | ¹©µç·½·¨ | µç³Ø×ÜÕý¼°×ܸº¶ËÈ¡µç |
| ¹©µçµçѹ¹æÄ£ | 30~60V | |
| ¹¦ºÄ | ÐÝÃß¹¦ºÄ£º Iq¡Ü400¦ÌA@48V/ÐÝÃßģʽ Iq¡Ü50¦ÌA@48V/Éî¶ÈÐÝÃßģʽ | |
| ½ÐÐѹ¦Ð§ | ÊÂÇéģʽ£º¡Ü10mA@48V | |
| DetÐźŽÐÐÑ | ||
| CAN½ÐÐÑ | ||
| µçѹÊÕÂÞ | Ä£×é×ܵçѹ¼ì²â | ¼ì²â¹æÄ££º0-70V |
| ¼ì²â¾«¶È£º 0.5%@¡Ý20V 0.5V@£¼20V | ||
| µçÁ÷¼ì²â | µ¥Ìåµçѹ¼ì²â | ¼ì²â¹æÄ££º0-5V |
| ¼ì²â¾«¶È£º¡Ü¡À10mV | ||
| ³ä·ÅµçµçÁ÷¼ì²â | ¼ì²â·½·¨£ºÍ¨Ì«¹ýÁ÷Æ÷¾ÙÐеçÁ÷ÊÕÂÞ | |
| ¼ì²â¹æÄ££º-50A~50A | ||
| ¼ì²â¾«¶È£º 30mA@£¼1A 3%@£¨1A~5A£© 1%@£¾5A | ||
| ƽºâ¹¦Ð§ | µç³Øµçѹƽºâ | ƽºâ·½·¨£º±»¶¯Æ½ºâ |
| ƽºâµçÁ÷£º¡Ý50mA@3.5V | ||
| ζÈÊÕÂÞ | µçоζȼì²â | ¼ì²â¹æÄ££º-40¡æ~125¡æ |
| ¼ì²â¾«¶È£º ¡Ü¡À2¡æ@-20¡æ~60¡æ ¡Ü¡À3¡æ@-40¡æ~-20¡æ ¡Ü¡À3¡æ@60¡æ~125¡æ | ||
| MOSζȼì²â | ¼ì²â¹æÄ££º-40¡æ~125¡æ | |
| ¼ì²â¾«¶È£º ¡Ü¡À2¡æ@-20¡æ~60¡æ ¡Ü¡À3¡æ@-40¡æ~-20¡æ ¡Ü¡À3¡æ@60¡æ~125¡æ | ||
| ½øË®¼ì²â | Á½Â·½øË®¼ì²â | Äܹ»¼ì²âµç³ØÄ£×éÄÚÍâ¿ÇÓÐÎÞ½øË® |
| ¸ßѹ»ØÂ·¿ØÖƼ°ÔØºÉ | ³ä·Åµç¿ØÖÆ | ³ä·Åµçͬ¿Ú£¬£¬£¬£¬£¬£¬£¬MOS¹ÜʵÏÖ»ØÂ·Í¨¶Ï¿ØÖÆ |
| ÔØºÉÄÜÁ¦ | Ò»Á¬³äµçµçÁ÷ÄÜÁ¦£º10¡À0.5A | |
| Ò»Á¬·ÅµçµçÁ÷ÄÜÁ¦£º25¡À0.5A | ||
| ͨѶ | CANͨѶ | ͨ¹ýCANͨѶ·½·¨£¬£¬£¬£¬£¬£¬£¬ÊµÏÖ±£»£»£»£»£»£»¤°åÓëÕû³µÖ®¼äµÄͨѶ |
| ´æ´¢¹¦Ð§ | EEPROM´æ´¢ | °üÀ¨³ä·ÅµçµçÁ÷,µ¥Ìåµçѹ£¬£¬£¬£¬£¬£¬£¬×î¸ßµ¥Ìåµçѹ¼°Æä±àºÅ£¬£¬£¬£¬£¬£¬£¬×îµÍµ¥Ìåµçѹ ¼°Æä±àºÅ£¬£¬£¬£¬£¬£¬£¬×î¸ßµ¥Ìåζȼ°Æä±àºÅ£¬£¬£¬£¬£¬£¬£¬×îµÍµ¥Ìåζȼ°Æä±àºÅ¡¢ÀúÊ·¹ÊÕÏ´úÂ룬£¬£¬£¬£¬£¬£¬ SOC£¬£¬£¬£¬£¬£¬£¬ SOH£¬£¬£¬£¬£¬£¬£¬ÀÛ»ý³äµçµç Á¿£¬£¬£¬£¬£¬£¬£¬ÀÛ»ý·ÅµçµçÁ¿µÈ |
| ±£»£»£»£»£»£»¤¹¦Ð§ | µ¥Ìå¹ý³ä±£»£»£»£»£»£»¤ | ±£»£»£»£»£»£»¤ÖµºÍ»Ö¸´Öµ¿ÉÉè |
| µ¥Ìå¹ý·Å±£»£»£»£»£»£»¤ | ±£»£»£»£»£»£»¤ÖµºÍ»Ö¸´Öµ¿ÉÉè | |
| ³äµç¹ýÁ÷±£»£»£»£»£»£»¤ | ±£»£»£»£»£»£»¤ÖµºÍ»Ö¸´Öµ¿ÉÉè | |
| ·Åµç¹ýÁ÷±£»£»£»£»£»£»¤ | ±£»£»£»£»£»£»¤ÖµºÍ»Ö¸´Öµ¿ÉÉè | |
| ³ä·Åµç¸ßα£»£»£»£»£»£»¤ | ±£»£»£»£»£»£»¤ÖµºÍ»Ö¸´Öµ¿ÉÉè | |
| ³ä·ÅµçµÍα£»£»£»£»£»£»¤ | ±£»£»£»£»£»£»¤ÖµºÍ»Ö¸´Öµ¿ÉÉè | |
| MOS¹ýα£»£»£»£»£»£»¤ | ±£»£»£»£»£»£»¤ÖµºÍ»Ö¸´Öµ¿ÉÉè | |
| Êä³ö¶Ì·±£»£»£»£»£»£»¤ | ±£»£»£»£»£»£»¤ÖµºÍ»Ö¸´Öµ¿ÉÉè | |
| ÊÂÇéÎÂ¶È | -30¡æ¡«85¡æ | |
| ´æ´¢ÎÂ¶È | -10¡æ¡«35¡æ | |
| ÊÂÇéʪ¶È | 5%¡«95% |
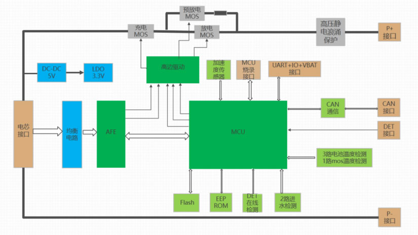
²úÆ·½á¹¹Í¼
ÓÑÇéÁ´½Ó£º °Ù¶È Ã÷Í¼ÍøÂç
½¨ÒéʹÓùȸèä¯ÀÀÆ÷¡¢360ä¯ÀÀÆ÷¡¢Æ»¹ûä¯ÀÀÆ÷ºÍÆä×îа汾ä¯ÀÀÆ÷¾ÙÐÐä¯ÀÀ
COPYRIGHT ? ÐÇ¿ÕÌåÓýapp¹Ù·½ÏÂÔØ ALL RIGHTS RESERVED. ÊÖÒÕÖ§³Ö£ºÃ÷Í¼ÍøÂç
ICP±¸°¸ºÅ£ºÍîICP±¸15018950ºÅ-2
